JW Hydraulic | Leading Hydraulic Cylinder Manufacturer in China
Hydraulic systems are the backbone of modern industrial machinery, from excavators to agricultural equipment. At JW Hydraulic, we specialize in designing and manufacturing high-performance hydraulic cylinders and components tailored to meet the most demanding applications. One of the most efficient techniques in hydraulic design is flow regeneration in differential circuits—a method that boosts speed and efficiency while reducing energy consumption.

What is Flow Regeneration in Hydraulic Circuits?
Flow regeneration is a method used in differential hydraulic circuits to accelerate cylinder extension without requiring a larger pump. Essentially, the return oil from the cylinder’s rod chamber is redirected to the rodless chamber, allowing the cylinder to extend faster by utilizing internal hydraulic flow rather than drawing additional energy from the pump.
Benefits of Flow Regeneration:
Increased Extension Speed: Faster operation without upgrading the hydraulic pump.
Energy Efficiency: Recycled hydraulic oil contributes to work instead of returning to the tank.
Reduced Motor Size: Smaller motors can achieve the same performance, lowering equipment costs.
How Differential Circuits Work
In a differential hydraulic cylinder, the large and small chambers are interconnected during extension. The cylinder thrust depends on the piston rod area rather than the piston face area, making these systems suitable for low-pressure operations.
However, differential circuits also require careful design to avoid issues such as:
Pressure shocks when switching from differential to normal extension.
Lower thrust capacity, making them unsuitable for high-load applications without additional engineering.
Valve Configurations for Efficient Flow Regeneration
1. P-Type Valve for Simple Differential Connection
The simplest method uses a P-type directional valve, connecting the large and small cylinder chambers to the pump. While this achieves basic flow regeneration, it can produce vibration and noise due to limited load capacity.
2. 2/3-Way Solenoid Valve
Using a 2/3-way solenoid valve provides greater control. When de-energized, the cylinder extends normally, and oil from the rod chamber returns to the tank. Energizing the valve connects the large and small chambers, directing return oil to accelerate cylinder extension.
3. Specialized Valve Manifolds
Advanced designs use pressure-controlled manifolds that automatically manage multiple check valves, enabling precise and automatic flow regeneration. These are particularly effective in complex machinery like excavators.

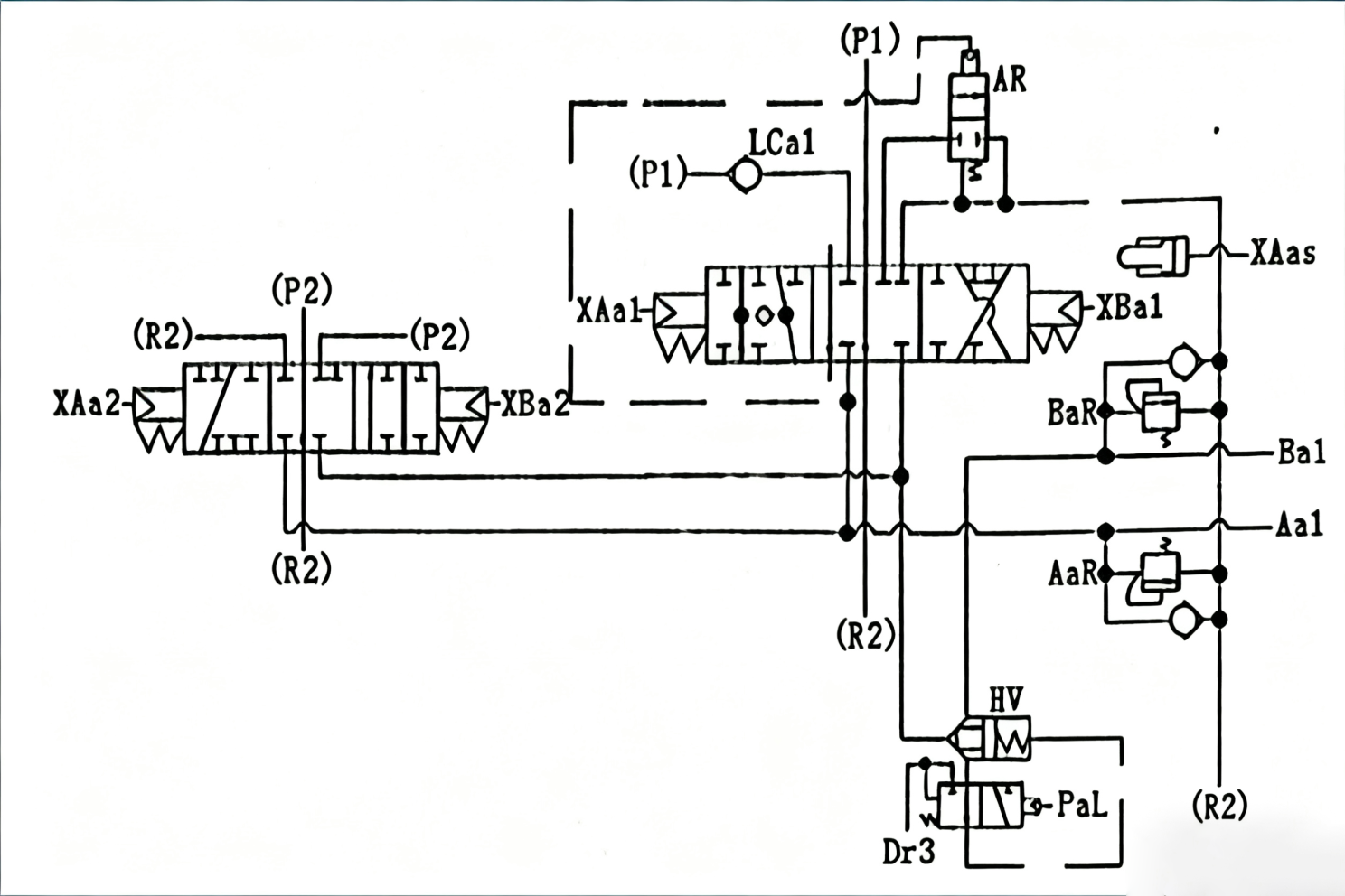
Case Study: Excavator Boom “Retraction and Regeneration” Technology
Excavators utilize a multi-valve hydraulic circuit for boom cylinders. Flow regeneration improves boom retraction speed, energy efficiency, and load handling.
Key components include:
AR Valve: Differential switching valve, set to 10 MPa.
HV Valve: Load-holding valve ensuring safe operation under negative loads.
Regenerative Check Valve: Directs return oil from the rod chamber to the rodless chamber during boom retraction.
How it Works:
The operator retracts the boom using the control handle.
If the boom is above the deadweight angle, return oil is routed through regenerative valves, accelerating retraction.
When the bucket contacts the ground, the AR valve switches the system to normal flow, preventing shock and maintaining safety.
This smart boom retraction regeneration technique ensures high operational efficiency, smooth performance, and cavitation compensation during fast boom descent.


Why Choose JW Hydraulic for Your Flow Regeneration Needs?
At JW Hydraulic, we offer custom-designed hydraulic cylinders optimized for flow regeneration and other advanced hydraulic techniques. Our expertise ensures:
High-quality, durable hydraulic cylinders manufactured to exact specifications.
Custom solutions for construction, agricultural, and industrial machinery.
Expert technical support to optimize your hydraulic system design.
Whether you need OEM/ODM support or specialized hydraulic components, our team ensures your machinery runs faster, smoother, and more efficiently.
Optimize Your Hydraulic System Today
Harness the power of flow regeneration with JW Hydraulic’s custom solutions. Accelerate cylinder extension, reduce energy costs, and achieve superior performance with our professional hydraulic components.